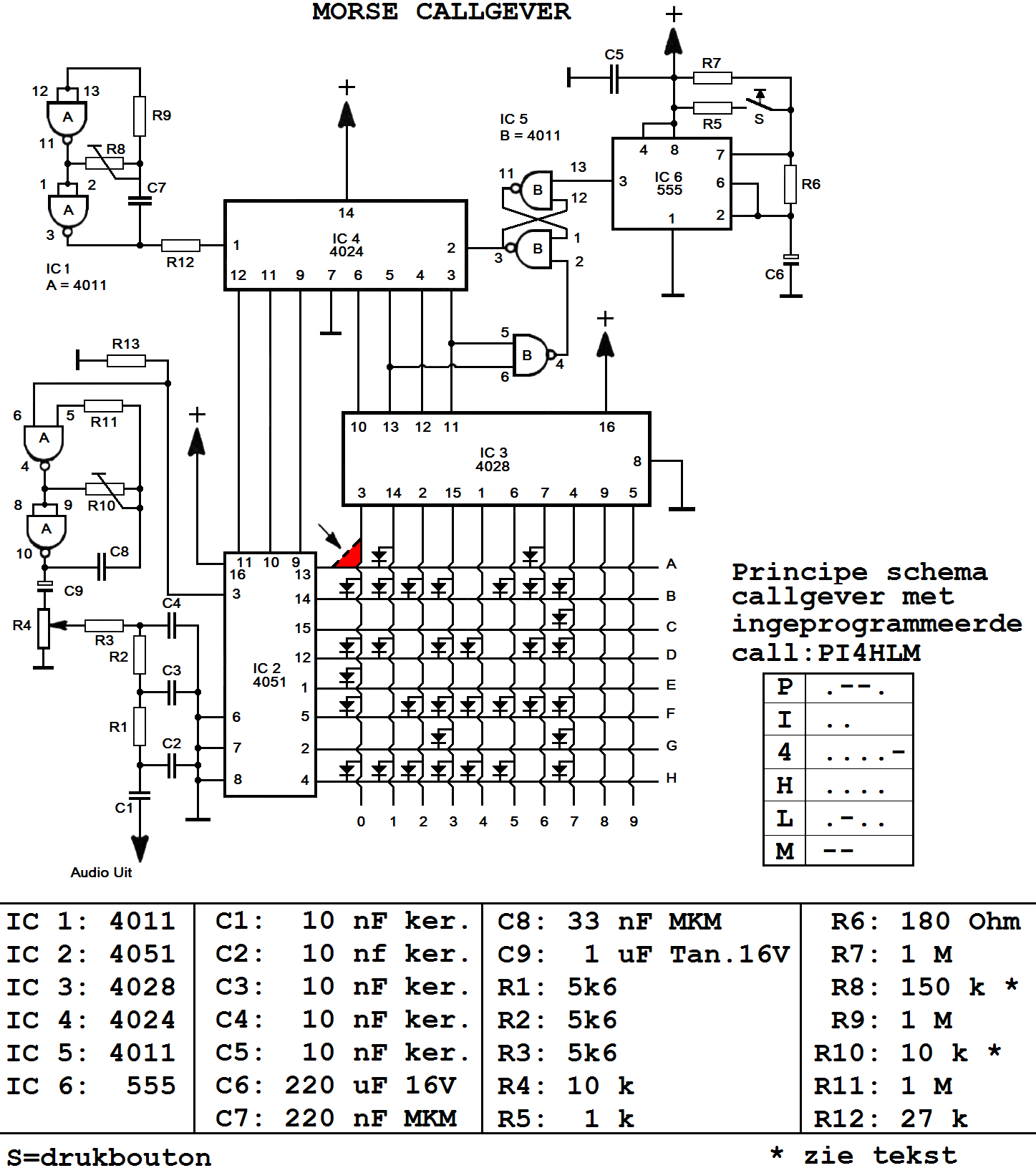
Gezien alle comotie die sinds 13 januari is ontstaan over de "gele kaarten" van het AT ben ik eens op zoek gegaan naar een hele eenvoudige callgever die naar mijn mening door bijna iedereen na te bouwen moet zijn. De criteria die ik heb aangehouden waren: Eenvoudig ontwerp, enkelzijdige print, geen SMD, Geen PIC processor en conventionele onderdelen die goed verkrijgbaar zijn. Het ontwerp is al weer zo'n 34 jaar oud maar alle onderdelen hiervoor zijn nog gewoon verkrijgbaar. De opbouw van de schakeling is eenvoudig maar oerdegelijk en zal de noodzaak om je roepnaam telkens maar weer te noemen binnen vijf minuten van jou overnemen. De codering van je roepnaam gebeurt middels een diode matrix dus kan nagenoeg iedere call met 6 karakters er in worden geprogrammeerd. Ik weet niet of de NVRA de printen nog steeds kan leveren. Indien dat niet het geval is kan je eenvoudig het printontwerp uit de documentatie gebruiken. Deze print is ook heel goed zelf te maken als je over een laserjet printer beschikt. Je neemt dan een oude reklame folder met van dat semi glanzende papier en drukt daar de print-layout op af. Dan neem je een stukje printplaat wat je eerst met een schuursponsje goed schoonmaakt. Nu leg je de afdruk op de printplaat en die verwarm je op een kookplaat tot ongeveer 200 graden celcius. Dit zal de toner die op je afdruk zit overbrengen op de koperzijde en als hulpje kan je het papier met een silicone rollertje extra aandrukken om de sporen voldoende goed over te brengen. Hierna ets je de print op de gebruikelijke wijze en overal waar de toner zit zal het koper niet worden weg ge-etst. Na het goed spoelen van de printplaat dien je met een schuursponsje de toner resten te verwijderen. Op deze manier krijg je een profesioneel resultaat en als je de printplaat na het etsen en schoonmaken even inspuit met printspray blijft die goed. Nu alleen nog even de gaatjes met 0,7mm boren en het nabouwen kan beginnen. Ik heb zelf deze callgever al sinds 1981 in gebruik en nog altijd werkt deze zonder enig probleem.
De bijlagen die je aantreft spreken voor zichzelf en ik wens je veel plezier met de nabouw van deze callgever.
73, Stan
Een callgever in morse
Forumregels
Plaats hier je bouwsels. Gebruik gerust de bijlagenfunctie van dit forum om bijvoorbeeld foto's en schema's toe te voegen. ATV (amateur televisie) bouwprojecten kun je beter in het ATV subforum plaatsen.
Plaats hier je bouwsels. Gebruik gerust de bijlagenfunctie van dit forum om bijvoorbeeld foto's en schema's toe te voegen. ATV (amateur televisie) bouwprojecten kun je beter in het ATV subforum plaatsen.
Een callgever in morse
De beste lineair is nog altijd een goede antenne!
The best linear is still a good antenna!
The best linear is still a good antenna!
Re: Een callgever in morse
Waarom geen PIC? Dat scheelt 99% van de onderdelen.
Re: Een callgever in morse
Het antwoord op jouw vraag staat al in de tekst vermeld. Het moet vooral laagdrempelig zijn zodat veel mensen het na kunnen bouwen. Daarbij komt dat vele mensen geen PIC kunnen programmeren en ik niet van plan ben om die dan te moeten gaan programmeren met een stuk software voor hun. Het is tenslotte niet mijn ontwerp maar van iemand anders en ik plaats het hier zodat men er iets mee kan. Bijkomend voordeel zou kunnen zijn dat mensen zonder veel bouwervaring dit ontwerp toch kunnen nabouwen en leren hoe je eenvoudig zelf een goede print kunt maken.
73, Stan
73, Stan
De beste lineair is nog altijd een goede antenne!
The best linear is still a good antenna!
The best linear is still a good antenna!
Re: Een callgever in morse
Ik snap de romantiek wel, maar voor het geld wat je hiervoor kwijt bent bouw je 2 PIC callgevers en een PIC programmer 

