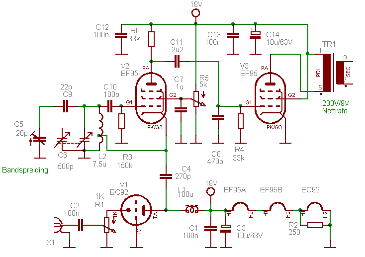
Eenvoudige kortegolf audion, ontvangt van 2-12MHz, ook geschikt voor CW en SSB.
31-12-2007
Complete schema geplaatst.
Buizen Kortegolf Audion.
Buizen Kortegolf Audion.
- Bijlagen
-
- Schema
- kga.png (12.44 KiB) 27629 keer bekeken
-
- Audion
- Audion.jpg (56.81 KiB) 27670 keer bekeken
Wie de milliWatt niet eert is de kiloWatt niet weerd.
- fred101
- .

- Berichten: 878
- Lid geworden op: 08 jun 2007, 08:08
- Roepletters: PA4TIM
- Locatie: Waardenburg
- Contacteer:
Kijk nou toch op ons eigen forumpje nog wel. Dit is een heel leuk schema met een pentode en een 1V1 of is het een 1V2 ?. Zal de buisjes wel niet hebben maar ik ben er wel achter dat de meeste voor dit soort frequenties uitwisselbaar zijn. Beetje de weerstanden aanpassen volgens de datasheet grafieken en het komt wel goed. Krijg de indruk als je zelfde soort schema's met zelfde soort buizen met elkaar vergelijk dat zelfs die biassing flink verschilt en toch werkt het.
Eat jij laat dat spul allemaal op 12-24V werken. De datasheets grafieken werken altijd met 250 of 300V. Dus kun je eigenlijk bijna geen schema tekenen met 18V ofzo.
Wat is nu het voordeel om ze toch op 250V te laten werken. Ik heb een zware 24V voeding en 18V is ook geen probleem maar ik snap niet waarom er dan altijd zo moeilijk gedaan werd met hoge spanningen (behalve bij zenders om meer vermogen te krijgen.
Zo'n buis werkt bv op 10mA. Ik dacht altijd dat je dan door een weerstand zorgt dat hij niet meer anode stroom krijgt maar vaak hangen ze direct aan 250V en vaak via een 220K anode weerstand. Is zo'n ding net als een gloeilamp. Hij trekt gewoon niet meer stroom zolang de spanning niet te hoog wordt gaat hij niet kapot.
Ik heb al wat zitten rekenen aan jou andere audion maar ik kom daar niet uit bij die spanningen.
Enige wat ik kan bedenken is dat op deze manier een buis bv ipv 5W output nu maar een half watt ofzo geeft. De efficientie is dus minder ofzo.
Fred
Eat jij laat dat spul allemaal op 12-24V werken. De datasheets grafieken werken altijd met 250 of 300V. Dus kun je eigenlijk bijna geen schema tekenen met 18V ofzo.
Wat is nu het voordeel om ze toch op 250V te laten werken. Ik heb een zware 24V voeding en 18V is ook geen probleem maar ik snap niet waarom er dan altijd zo moeilijk gedaan werd met hoge spanningen (behalve bij zenders om meer vermogen te krijgen.
Zo'n buis werkt bv op 10mA. Ik dacht altijd dat je dan door een weerstand zorgt dat hij niet meer anode stroom krijgt maar vaak hangen ze direct aan 250V en vaak via een 220K anode weerstand. Is zo'n ding net als een gloeilamp. Hij trekt gewoon niet meer stroom zolang de spanning niet te hoog wordt gaat hij niet kapot.
Ik heb al wat zitten rekenen aan jou andere audion maar ik kom daar niet uit bij die spanningen.
Enige wat ik kan bedenken is dat op deze manier een buis bv ipv 5W output nu maar een half watt ofzo geeft. De efficientie is dus minder ofzo.
Fred
PA4TIM's opvangtehuis voor buizenbakken: Link
Het is een beetje een politiek/diplomatiek van mij om te laten zien dat je echt geen (niet altijd) hoogspanning nodig hebt om iets met buizen te doen. Een beetje promotie dus voor de buis.
Je kan gewone componenten gebruiken, gewoon 1/8 Watt weerstandjes, laagspannings elco's en gewone keramische condensatoren. Ook kan je zo kinderen veilig in aanraking laten komen met buizen, vertel er dan wel bij dat de meeste buizenschakelingen Auw doen bij aanraking ...!
Simpele ontvangers of hoofdtelefoon versterkers kan je best op laagspanning laten werken, verwacht er natuurlijk geen wonderen van, in plaats van Watts krijg je tienden milliWatts of nog minder... Een gevoelige hoofdtelefoon zal zeker geen overbodige luxe zijn.
De buizen staan hier 'starved' (uitgehongerd!) ge-biased, daarom zit de kathode aan massa, het rooster is iets negatief door de ruimte lading rond het rooster en het thermo-potentiaal van de kathode.
Omdat er micro Amperes door het buisje lopen, maakt een anode weerstand niet veel verschil voor wat betreft de spanningsval over deze weerstand, meestal staat er bijna de gehele voedingsspanning over.
Maak je niet druk over de buizen, ze worden toch ver buiten hun 'guidelines' gebruikt, al gebruik je voor de penthode's 807 buizen of EL84, maakt weinig uit.
Wil je wat meer power uit de ontvanger, dan kan je met vrucht de anodespanning wat opvoeren naar b.v. 60V, denk dan wel om je elco's!
Je kan gewone componenten gebruiken, gewoon 1/8 Watt weerstandjes, laagspannings elco's en gewone keramische condensatoren. Ook kan je zo kinderen veilig in aanraking laten komen met buizen, vertel er dan wel bij dat de meeste buizenschakelingen Auw doen bij aanraking ...!
Simpele ontvangers of hoofdtelefoon versterkers kan je best op laagspanning laten werken, verwacht er natuurlijk geen wonderen van, in plaats van Watts krijg je tienden milliWatts of nog minder... Een gevoelige hoofdtelefoon zal zeker geen overbodige luxe zijn.
De buizen staan hier 'starved' (uitgehongerd!) ge-biased, daarom zit de kathode aan massa, het rooster is iets negatief door de ruimte lading rond het rooster en het thermo-potentiaal van de kathode.
Omdat er micro Amperes door het buisje lopen, maakt een anode weerstand niet veel verschil voor wat betreft de spanningsval over deze weerstand, meestal staat er bijna de gehele voedingsspanning over.
Maak je niet druk over de buizen, ze worden toch ver buiten hun 'guidelines' gebruikt, al gebruik je voor de penthode's 807 buizen of EL84, maakt weinig uit.
Wil je wat meer power uit de ontvanger, dan kan je met vrucht de anodespanning wat opvoeren naar b.v. 60V, denk dan wel om je elco's!
Wie de milliWatt niet eert is de kiloWatt niet weerd.
